雙穩態電路的特點:在沒有外來觸發信號的作用下,電路始終處于原來的穩定狀態。在外加輸入觸發信號作用下,雙穩態電路從一個穩定狀態翻轉到另一個穩定狀態。由于它具有兩個穩定狀態,故稱為雙穩態電路。
雙穩態電路是兩種穩定輸出狀態的電路,如自鎖式按鈕開關控制燈泡就是一個最典型、最簡單的雙穩態電路:當不按按鈕時,自鎖按鈕將始終保持它現有狀態不變(如處于按下位,燈泡亮,如處于抬起位,燈泡滅);當用手按一下按鈕,按鈕將改變它的現有狀態:由抬起位變壓下或由壓下位變抬起,使燈泡由滅變亮,或由亮變為熄滅。即該電路有二個穩態輸出:亮或熄滅。
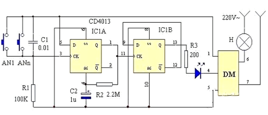
雙穩態開關電路圖
雙穩態控制電路的工作原理如圖。假設負載是電燈,當按動按鈕AN1時,給了IC1“CP1”端一個正脈沖,使得IC1的Q1端輸出高電平,于是IC2的“CP2”端也隨之輸入一個正脈沖,其IC2的Q2端變為高電平,
此時由于控制器DM的④腳與IC2的 Q2端相連,自然也為高電平,信號燈H點亮。再次按動AN1,則IC2的Q2端又回復到低電平,控制器DM的④端亦變為低電平而將H關斷。這樣,每按動一次AN1就可改變一次H的工作狀態。


該應用電路中使用了一塊雙D觸發器集成電路CD4013,這它的內部含有兩只D觸發電路,其中的一只D觸發電路用作脈沖展寬電路,其目的是為了防止因AN1的抖動使脈沖個數不確定;另一只D觸發器構成雙穩態觸發器。
該電路用作節能燈的使用方法是:上樓時按動一下AN1,H點亮。進房后再按動一下 ANn,此時H熄滅。它與單穩態節能燈不同之處是,從按動AN1至按動ANn的時間可以隨意,且不受時間和空間的限制。
三極管雙穩態開關電路圖


NE555雙穩態開關電路圖


雙穩態開關電路圖:接觸引發的雙穩態電路


該電路在雙穩態模式中使用一個555定時器。接觸T2會引起輸出的升高,D2導電,D1熄滅。接觸T1會導致輸出降低,D1導電,D2熄滅。來自引腳3的輸出還可以用來驅動其他的電路工作(比如一個三端雙向可控硅開關控制的燈)。
〈烜芯微/XXW〉專業制造二極管,三極管,MOS管,橋堆等,20年,工廠直銷省20%,上萬家電路電器生產企業選用,專業的工程師幫您穩定好每一批產品,如果您有遇到什么需要幫助解決的,可以直接聯系下方的聯系號碼或加QQ/微信,由我們的銷售經理給您精準的報價以及產品介紹
聯系號碼:18923864027(同微信)
QQ:709211280