運放減法器是一種基于差分放大器的放大器,其主要功能是對輸入信號進行差分運算和放大。它可以將兩個輸入信號進行相減,并將差值放大輸出,從而實現對輸入信號的放大和處理。
運放減法器的運算電路結構包括一個差分放大器和一個電阻網絡。通過調整電阻網絡中的電阻值,可以實現不同的差分放大倍數和濾波功能,從而滿足不同的應用需求。
運放減法器是一種功能強大、應用廣泛的放大器,具有很高的精度、穩定性和靈活性,可以實現信號的放大,還能進行差分運算和濾波等操作,被廣泛應用于傳感器信號處理、信號調理和濾波、自動控制系統等領域。
運放減法器電路分析
差分放大器
差分放大器只放大兩個輸入信號的差值,而不放大其公共部分(共模電壓)。 這種特性稱為:共模抑制。
在實際工況中,外部環境的噪聲通常對兩個輸入端的影響是相同的,而差分放大器不會放大這種同時疊加到兩個輸入端的噪聲,因此差分放大器可以比較有效地抵抗這種噪聲的影響。
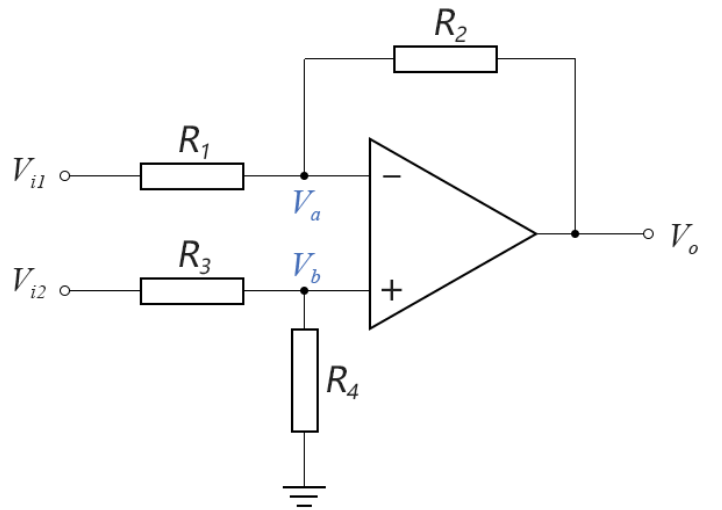
下圖是一個比較簡單的用運放構成的差分電路:


根據理想運放的虛短和0輸入電流特性,可得到同相和反相輸入端的電壓表達式:


實現了差分放大。
減法電路
(1)使用差分放大器實現
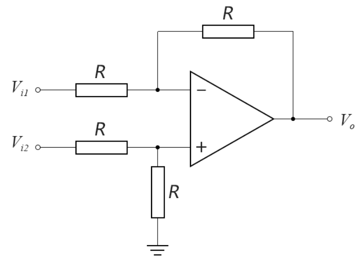
有多種方法可以實現減法電路,一種就是使用上面的差分放大器,將四個電阻取值為:R1=R2=R3=R4時,上面的輸出電壓就變為了:


因此,上面的差分放大器又被稱為減法器,我們重畫差分減法器如下:


運放減法器應用領域
1、傳感器信號處理
減法器運算放大器可以對傳感器輸出的微小信號進行放大和處理,使其達到足夠的幅度,以便進行后續的數字轉換和處理。例如在溫度傳感器、光電傳感器等領域,減法器運算放大器都可以發揮很好的作用。
2、信號調理和濾波
減法器運算放大器可以對信號進行差分運算和濾波,從而消除噪聲和干擾,提高信號的可靠性和精度。在音頻信號處理、通信系統等領域,減法器運算放大器都有著廣泛的應用。
3、自動控制系統
在自動控制系統中,減法器運算放大器可以實現對輸入信號的放大和處理,從而實現對系統的控制和調節。例如在溫度控制、液位控制、壓力控制等領域,減法器運算放大器都可以發揮很好的作用。
〈烜芯微/XXW〉專業制造二極管,三極管,MOS管,橋堆等,20年,工廠直銷省20%,上萬家電路電器生產企業選用,專業的工程師幫您穩定好每一批產品,如果您有遇到什么需要幫助解決的,可以直接聯系下方的聯系號碼或加QQ/微信,由我們的銷售經理給您精準的報價以及產品介紹
聯系號碼:18923864027(同微信)
QQ:709211280