說到延時,很多人都會想到用軟件件來實現,比如定時器之類的。今天就來說說用硬件來實現定時的方式,雖說沒有那么準,但是有些場合還是用得到的。今天我們來介紹一下6種延時電路工作原理。
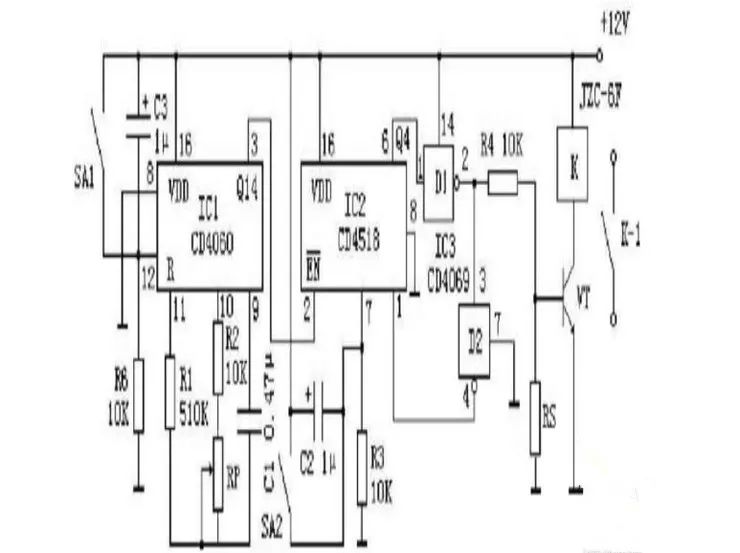
1、 精確長延時電路圖


該電路由CD4060 組成定時器的時基電路,由電路產生的定時時基脈沖,通過內部分頻器分頻后輸出時基信號。在通過外設的分頻電路分頻,取得所需要的定時控制時間。
通電后,時基振蕩器震蕩經過分頻后向外輸出時基信號。作為分頻器的IC2 開始計數分頻。當計數到10 時,Q4 輸出高電平,該高電平經D1 反相變為低電平使VT 截止,繼電器斷電釋放,切斷被控電路工作電源。
與此同時, D1 輸出餓低電平經D2 反相為高電平后加至IC2 的CP 端,使輸出端輸出的高電平保持。
電路通電使IC1、IC2 復位后,IC2 的四個輸出端,均為低電平。而Q4 輸出的低電平經 D1 反相變為高電平,通過R4 使VT 導通,繼電器通電吸和。這種工作狀態為開機接通、定時斷開狀態。
2、 RC延時電路


RC延時電路如圖所示,電路的延時時間可通過R或C的大小來調整,但由于延時電路簡單,存在著延時時間短和精度不高的缺點。對于需要延時時間較長并且要求準確的場合,應選用時間繼電器為好。
在自動控制中,有時為了便被控對象在規定的某段時間里工作或者使下一個操作指令在適當的時刻發出,往往采用繼電器延時電路。圖給出了幾種繼電器延時電路。
圖(a)所示電路為緩放緩吸電路,在電路接通和斷開時,利用RC的充放電作用實現吸合及釋放的延時,這種電路主要用在需要短暫延時吸合的場合。有時根據控制的需要,只要求繼電器緩慢釋放,而不允許緩慢吸合,這時可采用圖(b)所示的電路。
當剛接通電源時,由于觸點KK一l為常開狀態,因而RC延時電路不會對吸合的時間產生延時的影響,而當繼電器K。吸合后,其觸點Kk-1,閉合,使得繼電器kk的釋放可緩慢進行。簡單的計算出RC延時電路所產生的時間延時,例如R=470K,C=0.15UF 時間常數直接用R*C就行了。
3、 555構成的簡易長延時電路


當按下按鈕SB 時,12V 的電源通過電阻器Rt 向電容器Ct 充電,使得6 腳的電位不斷升高,當6 腳的電位升到5 腳的電位時,電路復位定時結束。
由于在5 腳串上了一個二極管VD1 使得5 腳電位上升,因此比一般接法(懸空或通過小電容接地)具有了更長時間的定時。
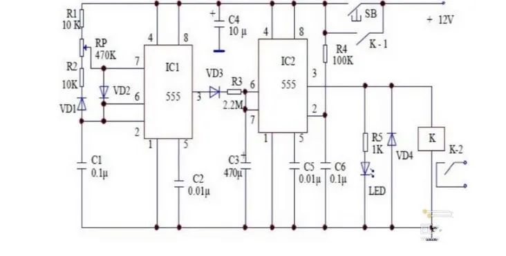
4、 由兩個555時基電路構成的長延時電路


IC1 555 時基電路接成占空比可調的自激多諧振蕩器。當按下按鈕SB 后,12V 的直流電壓加到電路中,由于電容器C6 的電壓不能突變,使得IC2 電路的2 腳為低電平,IC2 電路處于置位狀態,3 腳輸出高電平,繼電器K 得電,觸點K-1、K-2 閉合,K-1 觸點閉合后形成自鎖狀態,K-2 觸點連接用電設備,達到控制用電設備通、斷的作用。
同時IC1 555 時基電路開始形成振蕩,因此3 腳交替輸出高、低電平。當3 腳輸出高電平時,通過二極管VD3、電阻器R3 對電容器C3 充電。
當3 腳輸出低電平時,二極管VD3截止,C3 沒有充電,因此只有在3 腳為高電平時才對C3 充電,所以電容器C3 的充電時間較長。
當電容器C3 的電位升到2/3VDD 時,IC2 555 時基電路復位,3 腳輸出低電平,繼電器K 失電,觸點K-1、K-2 斷開,恢復到初始狀態,為下次定時做好準備。
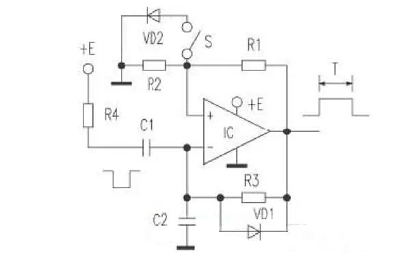
5、 單運放構成的單穩延時電路


常態時,IC輸出保持低電平,這個狀態是穩定的。當負脈沖經C1輸入至反相端時,反相端電位低于同相端電位,輸出端由低電平翻轉為高電平,這個狀態是不穩定的。
此高電平經R1、R2分壓后加至IC的同相端,使同相端電位高于反相端,從而保持高電平輸出。同時,該高電平經R3和C2充電,當C2上電壓被充至使反相端電位高于同相端電位時,其輸出端又翻轉為低電平。
此時,同相端電位約為零,而C2上的電壓經VD1迅速向輸出端放電,使電路加速恢復到初始狀態。
電路穩定后反相端電位仍高于同相端電位,使輸出低電平得以保持。
該電路的延時時間T不僅取決于R3、C2,而且還取決于R1、R2的分壓比。
所以,調節延時時間十分方便,既可調整C2、R3進行延時粗調,又可調整R2進行細調(分壓比若取1/2~2/3,延時精度較高)。
但是,該電路在上電時的狀態是隨機的,要使該電路上電后有唯一的輸出狀態,有兩種方法:
一是在電路中增加R4.這樣,在上電時,由于C1上電壓不能突變,電源電壓經R4、C1加至反相端,即可置輸出于低電平;
二是在同相端與地之間接一只二極管VD2和一只開關S(如虛線所示)。
上電時如輸出為高電平,雖然這一狀態是不穩定的,但如上所述,要經過時間T輸出才為低電平,而實用上往往需要電路上電時即刻復位。
為此,可在上電時先將S接通,若輸出為高電平,則C2充電到0.7V即可使電路復位,大大縮短了電路上電復位的時間。復位后將S斷開,電路即可正常工作。
6、 晶體管延時電路


延時部分由BG1、BG2復合后與電容C組成密勒積分電路。電源接通前C的端電壓為零,電源接通后BG3、BG4導通,繼電器J吸合,同時電容C被充電,充電電流經R2、C、R構成回路,a點電位上升,引起b點電位下降,b點電位的下降又限制了a點電位上升。
a、b兩點電位互相補償的結果使a點電位的上升量非常小,充電電流接近似恒定。
當b點電位上升到10V左右時,BG3、BG4接近截止,繼電器J釋放,延時過程結束。按一下按鈕AN,電容C迅速經D1放電,繼電器J吸合,開始下一個延時過程。
延時電路經常會用到,RC電路是比較簡單的電路。當然,改變電路各個元器件的參數,可以達到不同的延時。
〈烜芯微/XXW〉專業制造二極管,三極管,MOS管,橋堆等,20年,工廠直銷省20%,上萬家電路電器生產企業選用,專業的工程師幫您穩定好每一批產品,如果您有遇到什么需要幫助解決的,可以直接聯系下方的聯系號碼或加QQ/微信,由我們的銷售經理給您精準的報價以及產品介紹
聯系號碼:18923864027(同微信)
QQ:709211280