通過鋰電池向電路系統提供3.3V電壓,并具備USB充電功能及過充保護功能.
USB充電采用TP4056芯片電路實現.TP4056為單節鋰離子電池恒定電流/恒定電壓線性充電器,內部采用PMOSFET架構并結合防倒充電路,因此不需要外部隔離二極管.熱反饋可對充電電流進行自動調節,以便在大功率操作或高溫環境溫度條件下對芯片溫度加以限制.充電電壓恒定在4.2V,充電電流可通過電阻器進行外部設置.充電電流在達到最終充電電壓后降至設定值的十分之一,TP4056將自動終止充電循環.
當無輸入電壓時,TP4056自動進入低電流狀態,將電池漏電流降至2 uA以下.TP4056在有電源時也可置于停機模式,將供電電流降至55 uA.TP4056的管腳定義如下表所示.


USB充電電路圖如下圖:


電路分析:Header2為連接端子,B+和B_分別連接鋰電池的正負極.TP4056的4腳和8腳連接USB供電電壓5V,3腳連接GND,完成芯片的供電和使能.1腳TEMP連接GND,關閉電池溫度監測功能,2腳PROG連接電阻R23后接GND,可根據下式估算充電電流.
5腳BAT向電池提供充電電流和4.2V充電電壓.指示燈D4、D5處于上拉狀態,分別表示充電完成和正在充電,當連接芯片管腳為低電平時點亮.電池充電過程中6腳 STDBY始終處于高阻態,此時D4滅,當充電完成時被內部開關拉低至低電平,此時D4亮,表示充電完成.與此相反電池充電工程中7腳 時CHRG鐘處于低電平,此時D5亮,表示正在充電,當充電完成時處 于高阻態,此時D5滅.
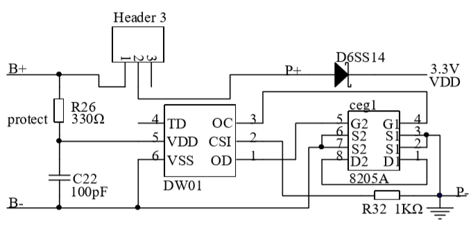
鋰電池過充過放保護電路采用DW01芯片配合MOS管8205A實現.DW01為鋰電池保護電路芯片,具有高精度的電壓監測和時間延遲電路.DW01芯片管腳定義如下表所示.


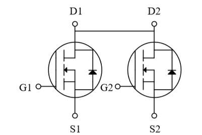
8205A為共漏極N溝道增強型功率場效應管,適用于電池保護或低壓開關電路.芯片內部結構如下圖所示.


鋰電池充電保護電路如下圖所示.


電路分析:Header3為撥動開關,控制是否采用鋰電池供電.
鋰電池正常工作:當鋰電池在2.5V至4.3V之間時,DW01的1腳、3腳均輸出高電平,2腳電壓為0V.根據8205A原理圖,DW01的1腳、3腳分別連接8205A的5腳、4腳,可知兩個MOS管均處于導通狀態,此時鋰電池的負極與單片機電路電源地P_連通,鋰電池正常供電.
過充保護控制:當鋰電池通過TP4056電路充電時,鋰電池電量將隨充電時間的增加而增加.當鋰電池電壓升高到4.4V時,DW01認為鋰電池電壓已處于過充電壓狀態,立即控制3腳輸出0V,8205A芯片G1無電壓導致MOS管截至.此時鋰電池B_與單片機電路電源地P_不連通,即鋰電池充電回路被切斷,停止充電.雖然過充電控制開關管關閉,但其內部的二極管方向與放電回路的方向相同,因此當P+與P_間外接放電負載后,仍可以進行放電.當鋰電池的電壓被放至低于4.3V時,DW01停止過充電保護狀態,此時鋰電池B_與單片機電路電源地P_連通,再次進行正常充放電.
過放保護控制:當鋰電池外接負載進行放電時,鋰電池電壓將慢慢降低.DW01通過R26電阻檢測鋰電池電壓.當電壓降低至2.3V時,DW01認為鋰電池電壓已處于過放電壓狀態,立即控制1腳輸出0V,8205A芯片G2無電壓導致MOS管截至.此時鋰電池B_與單片機電路電源地P_不連通,即鋰電池放電回路被切斷,停止放電.當接上TP4056電路充電時,DW01通過B_檢測到充電電壓后,控制1腳輸出高電平,此時鋰電池B_與單片機電路電源地P_連通,再次進行正常充放電.
〈烜芯微/XXW〉專業制造二極管,三極管,MOS管,橋堆等,20年,工廠直銷省20%,上萬家電路電器生產企業選用,專業的工程師幫您穩定好每一批產品,如果您有遇到什么需要幫助解決的,可以直接聯系下方的聯系號碼或加QQ/微信,由我們的銷售經理給您精準的報價以及產品介紹
聯系號碼:18923864027(同微信)
QQ:709211280