三極管又分NPN型三極管和PNP型三極管。
常用NPN三極管為3904,PNP三極管為3906。
NPN:


NPN三極管的基極為高電平時三極管導通。
PNP:


PNP三極管的基極為低電平時三極管導通。
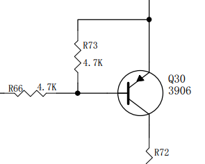
三極管BE端并聯電阻的作用:
三極管B-E間電阻不是限流更不是分壓,但截止則是相對的,因為 b-e間有漏電流,而且,作為單片機的I/O口,其“0”狀態也不完全是“0V”的(對地有一個MOS管的壓降),這就有可能導致輸出三極管截止不良(關不斷),通過B-E間并一電阻可以讓B極電壓等與E級電壓,從而讓三極管可靠地截止,提高可靠性。
〈烜芯微/XXW〉專業制造二極管,三極管,MOS管,橋堆等,20年,工廠直銷省20%,上萬家電路電器生產企業選用,專業的工程師幫您穩定好每一批產品,如果您有遇到什么需要幫助解決的,可以直接聯系下方的聯系號碼或加QQ/微信,由我們的銷售經理給您精準的報價以及產品介紹
聯系號碼:18923864027(同微信)
QQ:709211280