1 引言
作為逆變電路中的核心部件——大功率開關器件,一般分為三大類型,即雙極型、單極型和混合型。雙極型GTO、GTR、SITH等;單極型有功率MOSFET、SIT等;混合型有IGBT、MGT(MOS門極晶體管)等。這些大功率器件的運行狀態及安全性直接決定了變頻器和逆變器性能的優劣,而性能良好的驅動電路又是開關器件安全可靠運行的重要保障。本文重點介紹GTR的基極驅動電路。
大功率晶體管(GiantTransistor—GTR)也稱巨型晶體管,是三層結構的雙極全控型大功率高反壓晶體管,它具有自關斷能力,控制十分方便,并有飽和壓降低和比較寬的安全工作區等優點,在許多電力變流裝置中得到了應用。
在電力電子裝置中,GTR主要工作在開關狀態。GTR是一種電流控制型器件,即在其基極注入電流IB后,集電極便能得到放大了的電流IC,電流放大倍數由hFE來評價。對于工作在開關狀態的GTR,關鍵的技術參數是反向耐壓VCE和正向導通電流IC。由于GTR不是理想的開關,當飽和導通時,有管壓降VCES,關斷時有漏電流ICEO;加之開關轉換過程中具有開通時間ton。(含延遲時間td和上升時間tr),關斷時間toff(含存貯時間ts和下降時間tf),因此使用GTR時,對其集電極功耗PC與結溫Tjm也應給予足夠的重視。
2 基極驅動電路設計原則
GTR基極驅動電路和性能直接影響著GTR的工作狀況,因此在設計基極驅動電路時應考慮以下兩點:最優化驅動方式和自動快速保護。
所謂最優化驅動,就是以理想的基極驅動電流波形去控制GTR的開關過程,以便提高開關速度,減小開關損耗。理想的基極驅動電流波形如圖1所示。由圖1可以看出,為加快開通時間和降低開通損耗,正向基極電流在開通初期不但要求有陡峭的前沿,而且要求有一定時間的過驅動電流IB1。導通階段的基極驅動電流IB2應使GTR恰好維持在準飽和狀態,以便縮短存儲時間ts。一般情況下,過驅動電流IB1的數值選為準飽和基極驅動電流值IB2的3倍左右,過驅動電流波形前沿應控制在0.5μs以內,其寬度控制在2μs左右。關斷GTR時,反向基極驅動電流IB3應大一些,以便加快基區中載流子的抽走速度,縮短關斷時間,減小關斷損耗,實際應用中,常選IB3=IB1或更大一些。這種基極驅動波形一般由加速電路和貝克箝位電路來實現。


圖1 理想的基極驅動電流波形
另外,GTR的驅動電路還應有自保護功能,以便在故障狀態下能快速自動切除基極驅動信號,以避免GTR的損壞。保護電路的類型有多種,根據器件及電路的不同要求可進行適當的選擇。為了提高開關速度,可采用抗飽和保護電路;要保證開關電路自身功耗低,可采用退飽和保護電路;要防止基極欠驅動導致器件過載狀態,可采用電源電壓監控保護。此外,還有脈沖寬度限制電路以及防止GTR損壞的過壓、過流、過熱等保護電路。
基極驅動電路構成形式很多,歸結起來有三個明顯的趨勢:
1)為了提高工作速度,都以抗飽和貝克箝位電路作為基本電路;
2)不斷完善和擴大自動保護功能;
3)在開通和關斷速度方面不斷加以改進和完善。
3 基極驅動電路一例
3.1 電路組成與功能
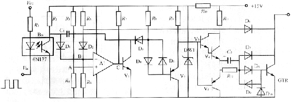
下面介紹一種實用高效自保護基極驅動電路,它不但能維持GTR工作在準飽和狀態,而且可以對GTR的過載提供快速可靠的保護,防止GTR進入放大區。另外可以改善GTR的開關特性,縮短開關時間,降低驅動功率,提高驅動效率,具體電路如圖2所示。它主要由信號隔離電路,退飽和檢測電路,控制信號綜合電路和具有反偏壓的自適應輸出電路組成。信號隔離電路由光電耦合器BD構成,實現邏輯控制電路與驅動電路之間的電氣隔離;退飽和檢測電路由二極管D6和電壓比較器A1組成。當GTR的集-射極電壓VCE高于某一規定值時,電壓比較器A1輸出過載保護信號。控制信號的綜合電路由三極管V1構成。其功能是將正常的開關驅動信號與退飽和禁止信號疊加處理后送至輸出級。具有反偏壓的自適應輸出驅動級由三級管V3、V4,二極管D7、D8、D9,電容器C2等元器件組成,它的功能是提高開關速度和產生反偏壓驅動波形。


圖2 基極驅動電路
3.2 驅動電路的工作原理
當輸入信號Vin為高電平時,光耦截止,B點近似等于電源電壓,A點為R3與R4的分壓電平,則VB>VA,電壓比較器輸出端C為低電平,三極管V1截止,V2導通,V3、V4截止,從而GTR截止。
當輸入信號Vin由高電平變為低電平時,光耦輸出由截止變為導通。C1經R8、D3進行充電,利用電容二端的電壓不能突變的特點,V2的基極電位也變為零,V2截止,V3、V4導通,經過加速網絡C2、R12使GTR迅速飽和導通;當GTR導通后,它的VCE隨之下降,D6導通,使B點的電位箝位于VB=VCE<VA,電壓比較器A1輸出端C變為高電平,使V1導通,V2的基極電位維持在地電位上;維持V2截止,V3、V4導通。同時V1的導通給C1提供了放電回路,使電容C1的兩端電壓下降為零,為下次工作做準備。
當Vin由低電平變為高電平時,光耦輸出級由導通變為截止,使D1導通,D2截止,重新使VB>VA,C點輸出低電平,V1截止,V2導通,由C2、V5、D10、D9等組成的反偏電路使GTR迅速關斷,D6同時截止。下一周期將重復上述工作過程。
帶有反偏驅動電路的工作原理如下:當V4導通時,GTR也導通。通過加速電容C2的比較大的充電電流向GTR基極提供過驅動電流,最大電流僅受R11阻值限制。充電結束后,進入導通階段,GTR的基極電流由R11、R12和D8共同決定,此時C2充有左正右負的電壓。當V4關斷V5導通時,電容C2經V5的C-E結→D10→D9→C2放電。GTR的反偏電壓等于D10的導通壓降,約為0.7V左右,使GTR迅速截止。
3.3 保護電路工作原理
在正常工作過程中,由于D6導通,使VB=VCE;若GTR發生過載或其它原因退出飽和狀態,使VCE上升到VB=VCE
3.4 驅動電路的器件要求
首先對光電耦合器的要求是高速型光耦。這是因為對于橋式逆變電路,同一橋臂的上下兩個互補的控制信號之間應當設置死區時間tΔ(15~20μs之間),因普通光耦開關時間較長,一般在(4~6μs)之間,而后級驅動的延遲時間長達10μs左右,而且可能出現開通與關斷時間不等的現象,使正常的死區時間得不到保證。為了能安全可靠地工作,必須選用高速型光耦,并把后級驅動總延遲嚴格限制在5μs以內。例如圖2中選用高速型光耦6N137就能滿足系統的要求。
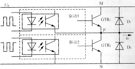
其次對光耦的要求是具有較強的抗干擾能力。這是因為在GTR的開關轉換過程中,P點的電位是發生跳變的(圖3)。如GTR1導通或D1續流時,P點與M點等電位;而GTR2導通或D2續流時,P點又與N點等電位。P點電位的跳變速度由二極管反向恢復時間決定。對于中小功率三相異步電機變頻器,P點的dv/dt將達到每秒數千伏。若光耦抗干擾能力不強。P點電位的跳變將會通過光耦內部寄生電容耦合,在驅動電路中形成干擾脈沖,致使GTR發生誤動作而不能正常工作。


圖3 GTR主電路與驅動電路的連接關系
4 結語
驅動電路是GTR安全工作的基礎,精心設計驅動電路,精心選擇驅動電路元器件和參數,是保證整機可靠運行的一個重要環節。近年已廣泛采用這類專用模塊驅動電路,(如UAA4002),使GTR的工作更加安全可靠。實踐證明,本文設計的這套帶反偏壓自適應驅動電路結構簡單,性能可靠,能滿足采用GTR逆變器的一般驅動要求。
〈烜芯微/XXW〉專業制造二極管,三極管,MOS管,橋堆等,20年,工廠直銷省20%,上萬家電路電器生產企業選用,專業的工程師幫您穩定好每一批產品,如果您有遇到什么需要幫助解決的,可以直接聯系下方的聯系號碼或加QQ/微信,由我們的銷售經理給您精準的報價以及產品介紹
聯系號碼:18923864027(同微信)
QQ:709211280