高性能,低功耗:越來越多的應用需要滿足這一需求,尤其是由電池供電的移動設備。特別是在物聯網、工業4.0和數字化時代,這些手持設備大大方便了人們的日常生活。從移動生命體征監測到工業環境中的機器和系統監測,很多應用紛紛受益。智能手機和可穿戴設備等終端用戶產品也要求更高的性能和更長的電池壽命。
因為提供電源的電池電能有限,所以需要在使用消耗電流最小的元件,以最大限度延長設備的運行時間。或者,通過降低功耗,使低容量電池也可以實現相同的電池壽命,同時減小尺寸、重量和成本。溫度管理同樣不容忽視。同樣,更高效的元件也起積極作用。冷卻管理需要占用空間,如果產生的熱量減少,占用的空間也會減少。目前,市面上提供多種低功耗,甚至是超低功耗(ULP)元件。本文著重探討低功耗運算放大器。
功耗與性能的權衡
在選擇合適的放大器時,往往需要考慮運算放大器的功耗,并做出權衡。
低功耗往往也意味著低帶寬。但是,這也取決于給定的放大器架構和穩定性要求。寄生電容和電感越高,通常帶寬越低。例如,電流反饋放大器提供相對較高的帶寬,但精準度較低。我們可以使用一些技巧來提高帶寬-功率比。
例如,增益帶寬積(GBW)一般如下:


Gm表示跨導,或者是輸出電流和輸入電壓之比(IOUT/VIN),C表示內部補償電容。
增加帶寬的典型方法是增加偏置電流,這會使Gm增加,但會消耗更多功率。為了保持低功率,我們不愿意如此。
通常,補償電容會設置主極點,所以理想情況下,負載電容根本不會影響帶寬。
受放大器的物理特性限制,電容較低時,通常可以獲得更高帶寬,但這也會影響穩定性,在低噪聲增益下,其穩定性會得到提高。但是,實際上,我們無法在更低噪聲增益下驅動大型的純電容負載。
在使用低功耗運算放大器時,需要權衡的另一因素是通常較高的電壓噪聲。但是,輸入電壓噪聲是放大器最主要的噪聲(占總輸出寬帶噪聲的一部分),但也可能是電阻噪聲。總噪聲最主要的部分可能來自于輸入級中的噪聲源(例如,集電極產生散射噪聲,漏極產生熱噪聲)。1/f噪聲(閃爍噪聲)因架構而異,是由元件材料中的特殊缺陷引起的。所以,它一般取決于元件的大小。相反,電流噪聲在更低的功率電平下通常更低。但也不容忽視,尤其是在雙極放大器中。在1/f區域,1/f電流噪聲是放大器輸出端的總1/f噪聲的主要來源。其他權衡因素包括失真性能和漂移值。低功耗運算放大器通常表現出更高的總諧波失真(THD),但是和電流噪聲一樣,雙極放大器中的輸入偏置和失調電流會隨著電源電流降低而降低。失調電壓是運算放大器的另一個重要指標。一般可通過調整輸入端元件來降低影響,因此不會在低功率下導致性能大幅降低,所以VOS和VOS漂移在功率范圍內是恒定的。外部電路和反饋電阻(RF)也會影響運算放大器的性能。電阻值較高時,動態功率和諧波失真會降低,但它們會增大輸出噪聲,以及與偏置電流相關的誤差。
為了進一步降低功耗,許多設備都提供待機或睡眠功能。這樣重要設備功能在閑置時可以停用,根據需要重新激活。低功耗放大器的喚醒時間通常更長。表1對前文所述的權衡因素進行了歸納和匯總。


表1.低功耗運算放大器的權衡
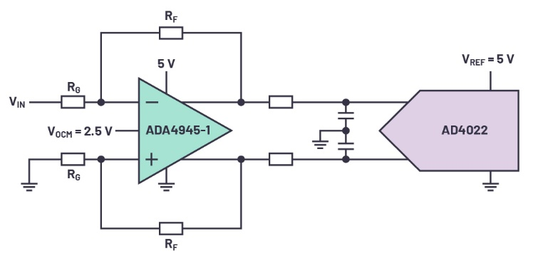
ADA4945-1雙極性差分放大器妥善地權衡了上述這些特性。它具有低直流失調、失調溫漂和出色的動態性能,非常適合多種高分辨率、功能強大的數據采集和信號處理應用,這些應用通常需要使用驅動器來驅動ADC,如圖1所示,由ADA4945-1驅動AD4022 ADC。 ADA4945-1可配置多種功率模式,您可以在特定轉換器上更好地權衡性能與功率。例如,在全功率模式下,可與AD4020配對,降低至低功耗模式后,可以適應AD4021或AD4022的低采樣速率。


圖1.高分辨率數據采集系統的簡化信號鏈示例
〈烜芯微/XXW〉專業制造二極管,三極管,MOS管,橋堆等,20年,工廠直銷省20%,上萬家電路電器生產企業選用,專業的工程師幫您穩定好每一批產品,如果您有遇到什么需要幫助解決的,可以直接聯系下方的聯系號碼或加QQ/微信,由我們的銷售經理給您精準的報價以及產品介紹
聯系號碼:18923864027(同微信)
QQ:709211280