ZigBee是一種基于IEEE 802.15.4規范的無線技術,其具有在802.15.4規范上創建的安全和應用層接口、工作于免授權頻段、以年計算的超低電池壽命、超低的成本、極大可伸縮的網格和星型網絡拓撲,每個主設備可支持4萬多個節點,等諸多優點,是家庭互聯、工廠自動化、醫療設備、傳感網絡和汽車應用等的理想解決方案。本文將介紹一種利用24GHz射頻芯片CC2420實現ZigBee無線通信的設計。
1.射頻芯片CC2420
1.1基本介紹
CC2420是Chipcon AS公司推出的首款符合2.4 GHz IEEE 802.15.4標準的射頻收發器。該器件包括眾多額外功能,是第一款適用于ZigBee產品的RF器件。它基于Chipcon公司的SmartRF 03技術,以0.18um CMOS工藝制成只需極少外部元器件,性能穩定且功耗極低。CC2420的選擇性和敏感性指數超過了IEEE 802.15.4標準的要求,可確保短距離通信的有效性和可靠性。利用此芯片開發的無線通信設備支持數據傳輸率高達250kbps,可以實現多點對多點的快速組網。


CC2420芯片
1.2性能特點
(1)采用IEEE 802.15.4規范要求的直接序列擴頻方式;
(2)數據速率達250kbps,碼片速率達2MChip/s;
(3)采用O-QPSK調制方式;
(4)超低電流消耗(RX:19.7mA,TX:17.4mA),高接收靈敏度(-94dBm);
(5)抗鄰頻道干擾能力強(39dB);
(6)內部集成有VCO、LNA、PA以及電源整流器,采用低電壓供電(2.1~3.6V);
(7)輸出功率編程可控;
(8)與控制微處理器的接口配置容易(4總線SPI接口);
(9)開發工具齊全,提供有開發套件和演示套件;
(10)IEEE 802.15.4 MAC層硬件可支持自動幀格式生成、同步插入與檢測、16bit CRC校驗、電源檢測、完全自動MAC層安全保護(CTR,CBC-MAC,CCM)。
1.3芯片內部結構
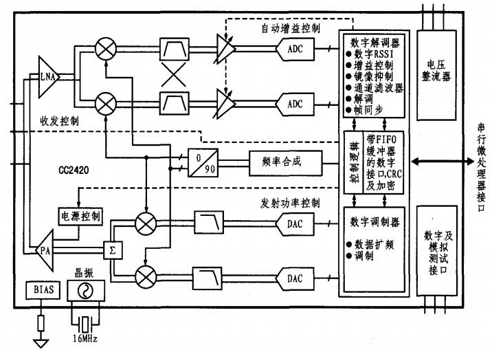
CC2420芯片的內部結構如圖1所示。天線接收的射頻信號經過低噪聲放大器和I/Q下變頻處理后,中頻信號只有2MHz,此混合I/Q信號經過濾波、放大、AD變換、自動增益控制、數字解調和解擴,最終恢復出傳輸的正確數據。


圖1 CC2420芯片內部結構
發射機部分基于直接上變頻。要發送的數據先被送入128字節的發送緩存器中,頭幀和起始幀是通過硬件自動產生的。根據IEEE 802.15.4標準,所要發送的數據流的每4個比特被32碼片的擴頻序列擴頻后送到DA變換器。然后,經過低通濾波和上變頻的混頻后的射頻信號最終被調制到2.4GHz,并經放大后送到天線發射出去。
2.典型應用電路
CC2420只需要極少的外圍元器件,其典型應用電路如圖2所示。它的外圍電路包括晶振時鐘電路、射頻輸入/輸出匹配電路和微控制器接口電路三個部分。芯片本振信號既可由外部有源晶體提供,也可由內部電路提供。由內部電路提供時需外加晶體振蕩器和兩個負載電容,電容的大小取決于晶體的頻率及輸入容抗等參數。例如當采用16MHz晶振時,其電容值約為22pF。射頻輸入/輸出匹配電路主要用來匹配芯片的輸入輸出阻抗,使其輸入輸出阻抗為50Ω,同時為芯片內部的PA及LNA提供直流偏置。


典型應用電路
圖2 典型應用電路
CC2420可以通過4線SPI總線(SI、SO、SCLK、CSn)設置芯片的工作模式,并實現讀/寫緩存數據,讀/寫狀態寄存器等。通過控制FIFO和FIFOP管腳接口的狀態可設置發射/接收緩存器。注意:在SPI總線接口上進行的地址和數據傳輸大多是MSB優先的。CC2420片內有33個16比特狀態設置寄存器,在每個寄存器的讀/寫周期中,SI總線上共有24比特數據,分別為:1比特RAM/寄存器選擇位(0:寄存器,1:RAM),1比特讀/寫控制位(0:寫,1:讀),6比特地址選擇位、16比特數據位。在數據傳輸過程中CSn必須始終保持低電平。
另外,通過CCA管腳狀態的設置可以控制清除通道估計,通過SFD管腳狀態的設置可以控制時鐘/定時信息的輸入。這些接口必須與微處理器的相應管腳相連來實現系統射頻功能的控制與管理。
3.配置IEEE 802.15.4工作模式
IEEE802.15.4規范中規定使用DSSS調制方式,CC2420中的調制和擴頻功能框圖如圖3所示。


CC2420調制和擴頻功能框圖
圖3 CC2420調制和擴頻功能框圖
CC2420先將要傳輸的數據流進行變換,每個字節被分組為兩個符號,每個符號包括4個比特,LSB優先傳輸。每個被分組的符號用32碼片的偽隨機序列表示,共有16個不同的32碼片偽隨機序列。經過DSSS擴頻變換后,碼片速率達到2Mchips/s,此碼片序列再經過O-QPSK調制,每個碼片被調制為半個周期的正弦波。碼片流通過I/Q通道交替傳輸,兩通道延時為半個碼片周期。
CC2420為IEEE 802.15.4的數據幀格式提供硬件支持。
其MAC層的幀格式為,頭幀+數據幀+校驗幀;PHY層的幀格式為,同步幀+PHY頭幀+MAC幀,幀頭序列的長度可以通過寄存器的設置來改變。可以采用16 位CRC校驗來提高數據傳輸的可靠性。發送或接收的數據幀被送入RAM中的128字節的緩存區進行相應的幀打包和拆包操作,其RF的狀態控制圖如圖4所示。


RF狀態控制圖
圖4 RF狀態控制圖
4.開發工具及網絡組織
Chipcon為用戶提供了評估軟件-SmartRF Stu-dio,它可以幫助開發者進行產品射頻性能的評估和功能測試。同時,Chipcon還提供了開發套件,用戶可在此基礎上評估和設計真正的ZigBee網絡。此開發套件包括CC2420外圍硬件模塊和Z-StackTM Zig-Bee協議棧,其中包括各種高性能的ZigBee軟件工具,如網絡設置器、協議追蹤調試工具等。在此基礎上建立的網格式網絡(網絡結構如圖5所示)自組織性強、抗毀性強,極大程度地拓展了網絡中的節點數和無線通信范圍。


圖5 網絡結構圖
5.總結
以上就是基于射頻芯片CC2420的ZigBee無線通信設計介紹了。CC2420芯片是首款符合ZigBee技術的高集成度工業用射頻收發器件,其MAC層和PHY層協議符合802.15.4規范,工作于免授權的2.4GHz頻段。利用此芯片開發的短距離射頻傳輸系統成本低、功耗小,適于電池長期供電。具有硬件加密、安全可靠、組網靈活、抗毀性強等特點,為多種電子行業提供了理想的解決方案。
〈烜芯微/XXW〉專業制造二極管,三極管,MOS管,橋堆等,20年,工廠直銷省20%,上萬家電路電器生產企業選用,專業的工程師幫您穩定好每一批產品,如果您有遇到什么需要幫助解決的,可以直接聯系下方的聯系號碼或加QQ/微信,由我們的銷售經理給您精準的報價以及產品介紹
聯系號碼:18923864027(同微信)
QQ:709211280