電感和電感器
電感(inductor)是一個繞在磁性材料上的導線線圈(coil),電感通以電流時產生磁場(magnetic field),磁場很懶,不喜歡變化,結果呢,電感就成為阻礙其電流(current)變化的元件。
如果流過電感的電流恒定,電感就很高興,不用對電子流出任何力(force),此時的電感線圈就是普通導線。
如果我們想中斷電感中的電流,電感就會出力(電動勢,EMF),試圖維持其中電流。如果電感自身構成回路,電路中又沒有電阻(resistance),那么理論上,電子流永遠在循環流動。但是,除非我們采用超導體,否則所有的導線都對電流有阻礙作用,最終電感電流將衰減(decay)為零,且電阻越大,衰減越快。不過,感抗(inductance)越大,衰減則越慢。如圖1所示。


圖1 中斷電感電流時儲存的能量釋放
一旦電流變為零,由于電感總是試圖阻礙電流變化,此時它又想維持電路電流為零
所以,當我們把電感接入電路中時,電感馬上出力,試圖阻礙電流增加,但是電流還是慢慢在增加。電感感抗越大,電流增大的速度越慢。當電流不再增加而到達穩態值后,電感又樂不可支了,不用再出力了! 如圖2所示。



圖2 電感電路ON1
當我們切斷電感中的電流時,電感又出力想維持穩態電流值。如果此時電感與一個電阻相連,則電阻兩端的電壓是其電阻值與電流的乘積。由于電感最大的本事就是阻止電流的突變,因此,不管電阻值是多少,在電路被切斷后的瞬間,電感中的電流與切斷前是一樣的。如果電阻值很大,則電流與電阻的乘積也非常大,結果,電感上會產生瞬時的高電壓。如圖3所示。




圖3 電感電路OFF
由于電感中的電流不能突變,如果要切斷電感電路,我們總是需要提供電感電流釋放回路。假如沒有提供釋放回路,電感電流就會自尋通道,比如,通過空氣釋放,通過開關觸點或者其他不應導電的元件釋放。短時間的高電壓將對電路產生極大的破壞。
電感器能夠產生高電壓的能力在電源設計時非常有用,但也意味著,在沒有準備好釋放通路時不可以隨便切斷電感電路。
續流二極管
從圖中可以看出斷電時EMF產生的瞬時高壓(數倍甚至數十倍于電源電壓)如果無處釋放,會對電路的其他元件造成損害,而如果提供釋放回路,又怎么能適時接通呢?即電感電路接通時,釋放回路不通,而電感電路斷開時釋放回路就接通。如圖4所示。


圖4 釋放回路接通的時機
電阻是雙向導電的,而二極管就具有單向導電特性。因此我們采用如圖5所示的電路,圖中并聯在電感兩端的二極管稱為續流二極管(flyback diode或flywheel diode)。


圖5 續流二極管電路
續流二極管的作用
續流二極管通常和儲能元件一起使用,其作用是防止電路中電壓電流的突變,為反向電動勢提供耗電通路。電感線圈可以經過它給負載提供持續的電流,以免負載電流突變,起到平滑電流的作用!在開關電源中,就能見到一個由二極管和電阻串連起來構成的的續流電路。這個電路與變壓器原邊并聯。當開關管關斷時,續流電路可以釋放掉變壓器線圈中儲存的能量。


續流二極管工作原理圖!
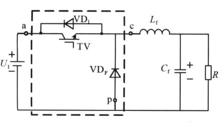
BUCK電路中續流二極管的選擇


BUCK電路圖
BUCK電路中一般選擇快速恢復二極管或者肖特基二極管來作為"續流二極管",它在電路中一般用來保護元件不被感應電壓擊穿或燒壞,以并聯的方式接到產生感應電動勢的元件兩端,并與其形成回路,使其產生的高電動勢在回路以續電流方式消耗,從而起到保護電路中的元件不被損壞的作用。
理論上二極管選用至少2倍于最大電流,實際使用時,由于二極管的瞬間抗過載能力較強,使用最大電流50A的超快速二極管也行,加上合理的散熱片,實際使用中一般少有損壞。導通時的總阻抗是 電機內阻+驅動管等效內阻。續流時的總阻抗是 電機內阻+續流二極管等效內阻。一般情況下,由于續流二極管的交流等效內阻要比驅動三極管的交流等效內阻小。所以常規設計,一般續流二極管的最大電流,取二倍于電機最大電流。
瞬態電流只是一瞬間,面接觸型二極管的抗過載能力還是可以的,只要不過壓即可,必要時串個小阻值電阻進行限流。續流二極管是為了保護開關器件,續流時的瞬態電流跟電機的工作電壓和繞組內阻有關,跟電機功率無關,真要計算的話,瞬態電流的峰值是反向自感電壓減去二極管結壓降再除以回路電阻。這里之所以還要用一定電流以上的二極管是因為低壓大功率電機的繞組內阻較低,所以瞬態電流會比較大,串個小阻值電阻就可以抑制峰值電流,因此造成的開關管瞬態加壓的些許上升因為工作電壓本來就不高,所以根本不必擔心,現在的晶體管耐壓至少都在50V以上。
繼電器續流二極管的選擇


繼電器并聯的二極管,不是什么BUCK電路中的續流二極管,由于繼電器線圈的是感性負載,作用是吸收驅動三極管在斷開時繼電器線圈的自感電壓,根據楞次定律,電感上的電流在減小時,會產生一個自感電壓,這個電壓的方向是正電源端為負,驅動管集電極為正,這個電壓會擊穿三極管,所以在繼電器上并聯一個吸收二極管,吸收這個自感電壓。
第一,電路ms級以下時間參數對機械觸點影響給予忽略
第二,即便是1N4000反向恢復時間也遠低于ms,正向導通時間更小
第三,驅動管極間電容,繼電器寄生電容足以使高速二極管無用武之地
第四,電感儲能的消耗主要依靠饒組電阻,一般處于過阻尼狀態)
對于圖中的開關,我們經常使用晶體管。如圖所示,用一個晶體管TR1去控制繼電器線圈(relay coil)的導通,繼電器觸點再去控制負載電路。


繼電器線圈的續流電路
二極管負極接直流電源正極,繼電器線圈斷電時,二極管因勢利導,為線圈高電壓提供釋放途徑。如果沒有續流二極管,晶體管斷開時在線圈兩端產生的高電壓將對晶體管電路造成極大的損壞,此時續流二極管起到了保護作用。
為此,經常將二極管直接和繼電器做在一起,如圖所示。


觸點的保護電路一
般感性負載比電阻性負載更容易使觸點受到損作,如果使用適當的保護電路可以使感性負載對觸點的影響與電阻性負載基本相當,但請注意如果不正確使用,可能會產生反效果。
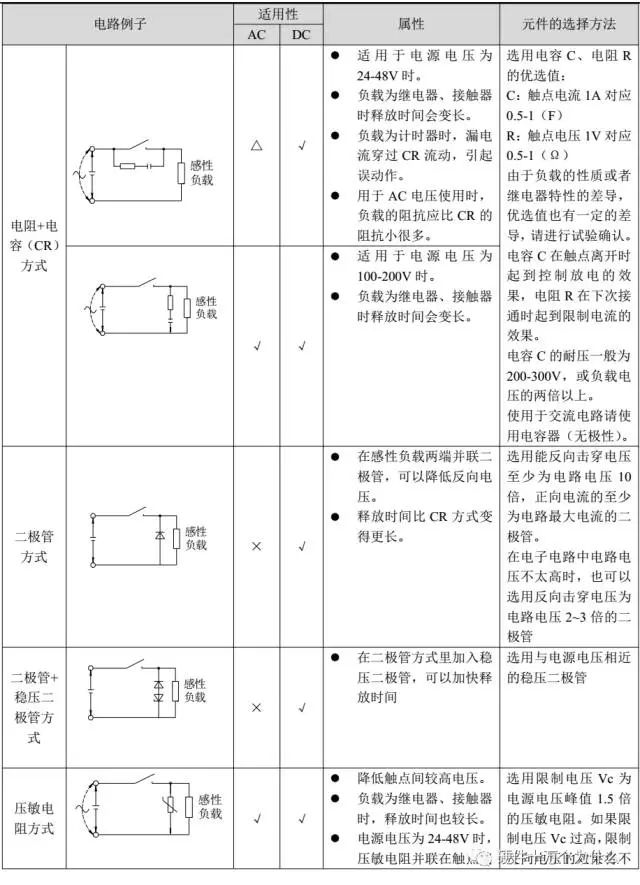
下表是觸點保護電路的代表性例子。




注意請避免下表中所列的觸點保護電路。


續流二極管的電路


續流二極管應該加到感性負載的兩端,這里說的感性,就是具有電感特性,而不是性感。感性負載的特性就是電流不能突變,也就是說,不可能一下子就沒了,也不可能一下子就有了,需要有個過程。
常見的感性負載有繼電器線圈、電磁閥。
為什么要加續流二極管
感性負載會產生感應電動勢,感應電動勢的方向和加在它兩端的電壓方向是相反的,當感性負載突然斷電,感應電動勢還在,由于感應電動勢與原來的電壓方向相反,在沒有斷電的時候,還有原來的電壓與之抵消,斷電后就沒有與感應電動勢抵消的電壓了,這個感應電動勢就有可能造成電路中的元器件損壞,加個二極管以后,這個二極管正好與感性負載形成了一個閉合回路,回路中的電流方向正好和二極管是正向導通的,就可以釋放感應電動勢的電流了。


可以作為續流二極管的型號
普通二極管如1N4007就可以作為續流二極管,不過,最好是用快速恢復二極管或者肖特基二極管。
快速恢復二極管可以用:FR107、1N4148
肖特基二極管可以用:1N5819
看二極管datasheet的什么參數
二極管的耐壓,就是反向能加多大電壓,你可以看到,續流二極管在電路中是反向連接的。比如你的電路中,線圈加的是12V,那么你的二極管方向耐壓值就必須要大于12V才行。不過一般的二極管反向耐壓值都非常高。
二極管的最大正向導通電流,比如1N4148最大正向導通電流是150mA,那么如果你的線圈電流太大,就會燒壞續流二極管。所以1N4148只適合小電流的線圈保護,比如5V的繼電器。
實踐經驗
凡是電路中的繼電器線圈兩端和電磁閥接口兩端都要接續流二極管。接法如上面的圖,二極管的負極接線圈的正極,二極管的正極接線圈的負極。不過,你要清楚,續流二極管并不是利用二極管的反方向耐壓特性,而是利用二極管的單方向正向導通特性。
如果懶得看二極管的datasheet參數,就用FR107吧,通吃一般應用。
實踐示例:

烜芯微專業制造二極管,三極管,MOS管,橋堆20年,工廠直銷省20%,1500家電路電器生產企業選用,專業的工程師幫您穩定好每一批產品,如果您有遇到什么需要幫助解決的,可以點擊右邊的工程師,或者點擊銷售經理給您精準的報價以及產品介紹

烜芯微專業制造二極管,三極管,MOS管,橋堆20年,工廠直銷省20%,1500家電路電器生產企業選用,專業的工程師幫您穩定好每一批產品,如果您有遇到什么需要幫助解決的,可以點擊右邊的工程師,或者點擊銷售經理給您精準的報價以及產品介紹