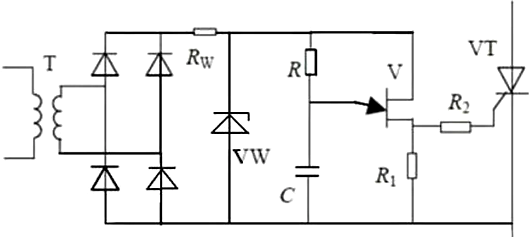
單結晶體管觸發電路原理圖

一、電路組成
同步降壓變壓器 T :將 220V 交流電降至適宜電壓,且保證輸出電壓相位與市電一致,為后續電路提供同步交流電源。
橋式整流電路 :把降壓后的交流電轉換為脈動直流電,為后續穩壓及振蕩電路提供直流輸入。
穩壓二極管 Vw 及限流電阻 Rw :對脈動直流電進行削波處理,削去波形峰值,將其轉化為梯形波,使波形更平緩,為單結晶體管提供穩定的供電波形。
限流電阻 R :與電容器 C、單結晶體管等組成關鍵的弛張振蕩電路。R 的阻值大小決定了電容器 C 的充電速度,進而影響晶閘管的控制角和導通角,是調節晶閘管觸發時刻的重要元件。
單結晶體管及相關元件 :單結晶體管與電阻 R、電容器 C、電阻 R1 共同構成弛張振蕩器,產生規律的觸發脈沖,為晶閘管提供精準的觸發信號。


二、觸發電路工作原理
同步觸發機制 :單結晶體管的電源并非傳統直流電源,而是經降壓變壓器二次側降壓、橋式整流后,再通過穩壓管限幅削波,得到梯形波電源。每個梯形波結束時刻,電源電壓歸零,電容電壓也隨之為零。當下一個梯形波開始時,電容 C 從零壓開始充電至峰點電壓,確保每個梯形波產生的第一個脈沖所需時間相同。由于梯形波過零時刻與晶閘管電壓過零時刻一致,第一個觸發脈沖的控制角相同,從而實現晶閘管在每個半波內的導通角相同,達到同步觸發效果。
脈沖作用 :在每個梯形波期間,振蕩器雖會產生多個脈沖,但晶閘管僅在接收到第一個脈沖時觸發導通,后續脈沖不再起作用。
控制調節 :通過改變電位器 Rp 的阻值,調節電容充電速度,控制每個梯形波第一個脈沖出現時刻,進而調節整流電壓。單結晶體管產生的脈沖同時觸發兩個晶閘管的門極,在每個半波時,一個晶閘管正偏觸發導通,另一個晶閘管反偏雖觸發但無法導通。


三、改進的電壓控制方式
采用晶體管替代可調電阻 Rp,實現電壓控制。其中,V2(PNP 型)晶體管利用其等效電阻代替電位器 Rp,V1(NPN 型)晶體管作為直接耦合放大器。控制信號 ui 由三極管基極輸入,當 ui 增大時,V1 管集電極電流和 V2 管基極電流增大,V2 管的等效電阻減小,電容充電加快,觸發脈沖提前發出,控制角減小,整流輸出電壓升高。這種改進方式將手控調節轉換為電壓控制,提升了電路的自動化水平和調節精度。
四、電路應用
該單結晶體管觸發電路廣泛應用于可控整流電路中,通過精準控制晶閘管的導通時刻,實現對輸出電壓的有效調節。在工業生產、電力電子設備等領域,為各種需要精確電壓調節的負載提供穩定可靠的電力支持,滿足不同設備的運行需求。
〈烜芯微/XXW〉專業制造二極管,三極管,MOS管,橋堆等,20年,工廠直銷省20%,上萬家電路電器生產企業選用,專業的工程師幫您穩定好每一批產品,如果您有遇到什么需要幫助解決的,可以直接聯系下方的聯系號碼或加QQ/微信,由我們的銷售經理給您精準的報價以及產品介紹
聯系號碼:18923864027(同微信)
QQ:709211280