限幅器宛如一位精確的裁剪師,對交流信號進行著精細的修剪。其核心要義在于將電壓嚴格限定在預設的范圍內,剔除交流信號中超出設定幅度的部分,而這一過程絕非簡單粗暴的切割,而是巧妙地在不影響波形剩余部分完整性的前提下完成。

從結構上看,限幅電路通常以二極管作為基礎構建單元。二極管的單向導電性使其成為限幅電路的理想選擇。通過巧妙地將二極管與獨立電壓源E串聯,形成一個功能強大的模塊單元,憑借二極管正向導通時管壓降穩定在約0.7V的特性,該模塊單元可與信號源靈活地并聯或串聯,實現對不需要波形部分的精準去除。當模塊單元中的二極管與電壓源E采用不同的連接方向時,即可衍生出豐富多樣的限幅效果。
一、限幅電路的分類與原理
常見的限幅電路依據功能可分為上限限幅電路、下限限幅電路以及雙向限幅電路三類。而從二極管與負載的連接關系角度審視,限幅電路又可劃分為串聯型與并聯型兩種基本形式。
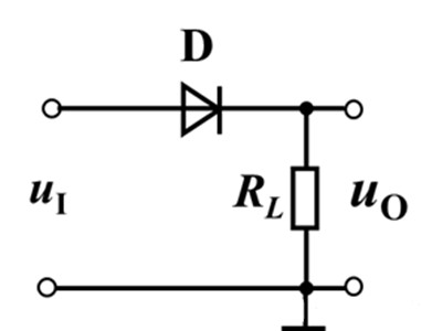
以簡單的串聯型限幅電路為例,其工作原理(基于理想二極管假設)如下:


首先,選取接地點作為參考電位點,并假定二極管處于截止狀態。此時,計算二極管的管壓降:二極管陽極電位VD+=uI,陰極電位VD-=0V,由此得出二極管的管壓降UD=VD+-VD-=uI。
接下來,分析二極管的工作狀態以確定輸出電壓。當輸入電壓uI>0時,UD>0,二極管D導通,此時輸出電壓uO=uI;而當uI<0時,UD<0,二極管D截止,輸出電壓uO=0。


二、限幅器在現代電子系統中的關鍵作用
限幅器在現代電子系統中扮演著關鍵角色,尤其在信號處理與通信領域,其重要性不言而喻。在復雜的信號傳輸過程中,信號的幅度可能會因各種干擾因素而超出正常范圍,這不僅可能導致后續電路的過載,影響信號質量,甚至可能損壞敏感的電子元件。限幅器通過有效地限制信號幅度,確保信號在安全且可控的范圍內傳輸,從而保障了整個系統的穩定運行。
其典型應用場景包括音頻信號處理系統。在音頻設備中,過大的音頻信號可能導致喇叭損壞或產生失真。通過使用限幅器,可以將音頻信號的幅度限制在喇叭能夠承受的范圍內,既保護了音頻設備,又保證了音質的清晰與穩定。在通信系統中,限幅器更是不可或缺。例如,在無線通信的接收端,接收到的信號強度會因距離、障礙物等因素而大幅波動。限幅器能夠對這些波動的信號進行幅度限制,使進入后續處理電路的信號保持在一個相對穩定的幅度范圍內,提高了信號處理的準確性和可靠性。
從更深層次的系統設計角度來看,限幅器的引入為電路設計者提供了靈活的信號調控手段。在設計復雜的電子系統時,設計者可以通過合理配置限幅器的參數,如限幅電平、響應速度等,來滿足系統對信號質量和穩定性的要求。同時,限幅器與其他電路元件(如濾波器、放大器等)的協同工作,能夠實現對信號的全方位處理,優化系統的整體性能。在高速數字電路中,信號的完整性至關重要。限幅器可以與濾波器配合使用,濾除信號中的高頻噪聲成分,同時限制信號的幅度波動,從而提高數字信號的傳輸質量,減少誤碼率。
〈烜芯微/XXW〉專業制造二極管,三極管,MOS管,橋堆等,20年,工廠直銷省20%,上萬家電路電器生產企業選用,專業的工程師幫您穩定好每一批產品,如果您有遇到什么需要幫助解決的,可以直接聯系下方的聯系號碼或加QQ/微信,由我們的銷售經理給您精準的報價以及產品介紹
聯系號碼:18923864027(同微信)
QQ:709211280