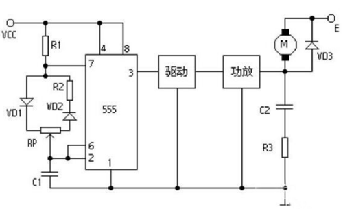
一、電路核心原理
直流電機 PWM 調速器電路主要基于占空比可調的脈沖振蕩器來實現電機轉速的精準控制。電機 M 通過接收該脈沖振蕩器輸出的脈沖信號來驅動運行。具體而言,脈沖的占空比與電機的驅動電流及轉速之間存在密切關系:當脈沖的占空比增大(即導通時間延長),電機的驅動電流也隨之增大,從而促使電機轉速加快;反之,若脈沖的占空比減小(即導通時間縮短),電機的驅動電流減小,電機轉速則相應降低。因此,通過調節電位器 RP 即可有效控制占空比,進而實現對電機轉速的連續調節,滿足不同應用場景下對電機轉速的多樣化需求。


二、電路設計要點及功能元件
NE555 驅動及功率匹配 :若電機的工作電流低于 200mA,可直接利用 NE555 的第 3 引腳輸出脈沖信號驅動電機。然而,對于需要更大驅動電流的電機,必須增設驅動和功率放大級,以確保電路能夠為電機提供足夠的功率輸出,匹配電機的功率需求,保障電機穩定運行。
續流二極管 VD3 :在功放管截止(關斷)期間,VD3 為電機驅動電流提供關鍵的續流通路。這一設計不僅確保了電機驅動電流的連續性,避免電流中斷對電機運行造成不良影響,而且有效防止了電機線圈產生的自感反向電動勢對功放管造成潛在的損壞,提升了電路的可靠性和功放管的使用壽命。
補償網絡(C2 和 R3) :該補償網絡的主要作用是優化負載特性,使負載在電路中呈現出電阻性質。這有助于改善電路的穩定性和動態性能,確保 PWM 調速器在不同負載條件下均能穩定、準確地調節電機轉速。
三、脈沖頻率控制及電路工作參數
整個 PWM 調速器電路的脈沖頻率被精心設計并控制在 3 - 5kHz 范圍內。這一頻率區間的選擇至關重要,原因在于:若脈沖頻率過低,電機在運行過程中容易出現抖動現象,影響電機的平穩運行和控制精度;而若脈沖頻率過高,則會導致占空比的可調范圍變小,進而使得電機的調速范圍受到限制,降低了調速器的性能和靈活性。
四、有刷直流電機 PWM 調速器實例及工作過程
圖中展示了基于廣泛應用于定時和振蕩電路的 555 定時器構建的有刷直流電機 PWM 調速器實物圖。該電路具備如下工作特性:


該 PWM 調速器的工作電壓范圍為 5 - 30V,能夠輸出高達 3A 的電流,適用于多種有刷直流電機的調速需求。
其工作過程如下:


首先,當旋鈕右旋致使開關閉合時,5V 電源經 R2、D2 以及 RP1(1-2)支路開始對 C3 充電,隨著充電過程的進行,C3 兩端電壓逐漸上升,直至達到觸發電平,觸發電路發生翻轉。
觸發翻轉后,NE555 的第 7 腳(放電端)對地導通,此時 C3 通過 RP1(2-3)、D3 和 R4 所構成的放電回路對地放電,C3 電壓隨之下降,直至降至復位電平,電路再次觸發翻轉。
觸發翻轉后,第 7 腳放電端對地阻斷,C3 重新經由 R2、D2 和 RP1(1-2)支路開始充電,重復上述充電、放電過程,形成周期性的振蕩,為電機提供連續的 PWM 脈沖信號。
調節旋鈕實質上是在改變 RP1 的阻值,進而調節 C3 的充放電時間常數,從而達到調節占空比的目的。在此過程中,振蕩頻率(或振蕩周期)保持相對穩定,不會因占空比的調節而發生明顯變化。
五、充放電時間與頻率計算公式
充電時間(ton) :ton = 0.693 × [R2 + RP1(1-2)] × C3
放電時間(toff) :toff = 0.693 × [R4 + RP1(2-3)] × C3
振蕩頻率(fw) :fw = 1 / T = 1 / (ton + toff)
PWM 的占空比(即導通時間與周期的比值)決定了電機的有效電壓,進而直接影響電機的轉速。占空比越大,電機所獲得的有效電壓越高,轉速也就越快。
〈烜芯微/XXW〉專業制造二極管,三極管,MOS管,橋堆等,20年,工廠直銷省20%,上萬家電路電器生產企業選用,專業的工程師幫您穩定好每一批產品,如果您有遇到什么需要幫助解決的,可以直接聯系下方的聯系號碼或加QQ/微信,由我們的銷售經理給您精準的報價以及產品介紹
聯系號碼:18923864027(同微信)
QQ:709211280