簡單的延時電路圖,延時開關電路圖介紹

在電子電路設計領域,延時電路是一種關鍵的基礎電路,廣泛應用于自動控制、照明系統、儀器儀表等諸多場景。其核心功能在于實現精準的時間延遲控制,為各類設備的有序運行提供關鍵支持。本文將深入剖析一款簡易延時開關電路,涵蓋其工作原理、印刷電路板布局、元件規格、焊接組裝流程、調試要點以及實際應用場景,助力電子工程技術人員及相關愛好者全面掌握該電路的設計與應用精髓。

在電子電路設計領域,延時電路是一種關鍵的基礎電路,廣泛應用于自動控制、照明系統、儀器儀表等諸多場景。其核心功能在于實現精準的時間延遲控制,為各類設備的有序運行提供關鍵支持。本文將深入剖析一款簡易延時開關電路,涵蓋其工作原理、印刷電路板布局、元件規格、焊接組裝流程、調試要點以及實際應用場景,助力電子工程技術人員及相關愛好者全面掌握該電路的設計與應用精髓。
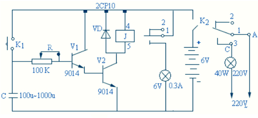
一、工作原理:巧妙利用充放電實現時間延遲
該延時開關電路的工作機制基于電容器的充放電過程。當電源開關 K2 閉合且按下按鈕開關 K1 時,晶體二極管 V1 和 V2 被導通,繼電器隨之吸合。與此同時,電源開始對電容器 C 進行充電。在 K1 斷開后,由于電容器 C 已經被充電,它將通過電阻 R 以及晶體二極管 V1 和 V2 進行放電。這一放電過程使得三極管得以繼續保持導通狀態,繼電器持續吸合。然而,隨著放電的持續進行,電容器 C 兩極間的電壓逐漸降低。當電壓降至某一臨界值,無法繼續維持三極管的導通時,繼電器最終釋放。從 K1 斷開到繼電器釋放的這一時間段即為延時時間,其長短由電阻 R 和電容器 C 的參數共同決定。
在元件參數選擇方面,當電容器 C 的容量設定為 100 微法時,通過調節可調電阻器 R,能夠實現 10 秒至 90 秒范圍內的延時時間調節。若將電容器 C 的容量提升至 1000 微法,則可使延時時間延長至 5 分鐘以上,充分滿足不同應用場景對延時時長的多樣化需求。
值得一提的是,繼電器上并聯的二極管發揮著至關重要的保護作用。當繼電器斷電釋放時,其線圈會產生較高的自感電動勢,這一瞬間的高電壓可能會對晶體三極管造成損壞。而并聯的二極管能夠及時導通,為這一高電壓提供一個泄放回路,從而有效保護晶體三極管免受損害,確保電路的穩定可靠運行。
二、印刷電路板布局與元件規格:精準設計與選型
印刷電路板(PCB)的設計對于電路的穩定性和可制造性至關重要。圖 2(A)展示了該延時開關電路的印刷電路板布局,其精心規劃了各元件的擺放位置和布線路徑,旨在最小化信號干擾、優化電路性能并便于生產制造。圖 2(B)則呈現了與 PCB 對應的實物組裝圖,直觀地展現了各元件在實際電路中的安裝形態。


在元件規格方面,該延時開關電路采用了如下關鍵元件:
繼電器 :選用 4098 型繼電器,其工作電壓為 6V,具備可靠的吸合與釋放特性,能夠承受電路中的工作電流,確保在延時過程中穩定控制負載的通斷。
晶體三極管 :采用 9014 型晶體三極管,作為電路中的核心放大與開關元件,其具備優良的電流放大性能和快速開關特性,能夠高效地控制繼電器的吸合與釋放。
晶體二極管 :選用 2CP10 或 1N4001 型晶體二極管,它們在電路中承擔導通和保護的雙重角色。除了在充電階段為電流提供導通路徑以及在放電階段維持三極管導通外,還能在繼電器斷電時保護晶體三極管免受自感高壓的沖擊。
可調電阻器 R :采用 100kΩ 可調電阻器,通過調節其阻值大小,能夠精準地控制電容器 C 的充放電時間常數,進而實現對延時時間的靈活調節。
電解電容器 C :選用 100μF/6V 的電解電容器,在電路中負責儲存電荷并實現延時功能。其容量和耐壓值與電路中的其他元件參數相匹配,確保在充電和放電過程中穩定可靠地工作。
按鈕開關 K1 :作為觸發元件,其具備良好的電氣性能和機械穩定性,能夠確保在按下和釋放瞬間準確地導通和切斷電路,觸發延時過程的開始。
三、焊接電路:精細工藝確保電路性能
焊接是電路組裝過程中的關鍵環節,其質量直接關系到電路的穩定性和可靠性。以下是該延時開關電路的焊接步驟及要點:
(一)焊前準備
在焊接之前,首先對各元件進行焊前處理,包括清潔元件引腳、去除氧化層等,并對元件引腳進行鍍錫處理。這一步驟能夠提高焊接的可靠性和焊點的質量,為后續的焊接工作奠定良好基礎。
(二)焊接繼電器
將繼電器小心地插入印刷電路板上對應的小孔,確保其安裝位置準確無誤。然后依次對繼電器的 5 個引腳進行焊接。在焊接過程中,應注意控制焊接時間,盡量保持短暫,以避免因過熱對繼電器和印刷電路板造成損壞。焊點應呈現圓潤且較小的形態,以確保良好的電氣連接和機械強度。
(三)焊接可調電阻器 R 和電解電容器 C
先將可調電阻器 R 按照圖示的布局要求進行預組裝,調整好其初始位置后,將其插入印刷電路板并進行焊接。對于電解電容器 C 的焊接,需特別注意其正負引腳的極性,確保正確焊接,避免因極性接反而導致電容器損壞或電路故障。在焊接過程中,同樣要注意控制焊接時間和焊點質量。
(四)焊接晶體二極管 VD
在焊接晶體二極管 VD 時,務必仔細辨認其正負引腳的極性,確保正確焊接,不可焊反。這是因為二極管具有單向導電性,極性接反將導致電路無法正常工作。同時,控制焊接時間要盡量短些,以防止過熱對二極管的性能造成不利影響。
(五)焊接晶體三極管 V1 和 V2
焊接晶體三極管時,需要準確識別其三個電極(基極 b、集電極 c、發射極 e),確保焊接無誤。錯誤的焊接可能導致三極管無法正常工作或損壞。在焊接過程中,要注意避免過熱,以免對三極管的性能造成損害。
(六)焊接電源引線和按鈕開關引線
最后,進行電源引線和按鈕開關引線的焊接,并將按鈕開關 K1 正確安裝到電路中。在焊接引線時,應確保連接牢固可靠,避免虛焊和假焊現象。同時,要合理布置引線的走向,避免與其他元件和線路發生短路或干擾。
四、延時開關的調試:精準調節保障電路功能
完成電路焊接后,需要對延時開關電路進行細致的調試,以確保其能夠正常工作并滿足預期的延時功能要求。以下是調試的具體步驟和要點:
(一)焊點檢查
首先,全面檢查印刷電路板上的各焊點,仔細查看是否存在虛焊、假焊以及短路現象。對于鄰近的焊點,應確保清理干凈,防止焊點間因殘留焊料或其他雜質而導致短路。如有問題,需及時進行返工修復,確保電路連接的準確性和可靠性。
(二)調試準備
將可調電阻器 R 的活動觸點調整到中間位置。然后,接通 6V 電源(可以使用兩個 3V 電源串聯的方式提供)。在通電瞬間,應仔細觀察電路的工作狀態,確保無任何異常現象發生。
(三)功能測試
按下按鈕開關 K1,此時應能聽到繼電器發出 “嗒” 的一聲,表明繼電器成功吸合。在幾十秒鐘后,應再次聽到 “嗒” 的一聲,這標志著繼電器釋放,延時功能得以實現。若電路能夠按照上述預期進行工作,則表明延時開關工作正常。
(四)延時時間調節
若需要改變延時時間,可通過調節可調電阻器 R 的阻值來實現。增大 R 的阻值,將使電容器 C 的放電時間延長,從而獲得更長的延時時間;反之,減小 R 的阻值則可縮短延時時間。當要求的延時時間超出該電路在當前電容器參數下的最長延時范圍時,可將電容器 C 換為容量更大的電解電容器,以滿足更長延時的需求。
五、延時開關的應用:拓展電路功能與應用場景
該延時開關電路憑借其簡潔的設計和可靠的性能,可廣泛應用于多種場景,實現多樣化的功能控制。
(一)控制小功率直流負載
例如,若要控制一個 6V、0.3A 的小燈泡,可按照圖 A 所示的接線方式進行連接。在印刷電路板上,將繼電器的 1 腳和 4 腳用導線接通(導線直接焊在印刷電路板的銅箔上),并將小燈泡接入繼電器的 3 端和電源負極之間。當按下按鈕開關 K1 時,小燈泡將被點亮,經過設定的延時時間后,小燈泡會自動熄滅。這種應用可用于需要短暫照明的場景,如樓道夜間照明、展示柜照明等,實現 “人走燈滅” 的節能控制效果。
(二)控制交流照明設備
對于控制 220V、40W 的照明燈,可參考圖 B 的接線方式,將印刷電路板上的 A 端和 C 端作為開關控制端。在實際安裝過程中,由于涉及 220V 交流電,安全操作至關重要,必須在專業人員的指導下進行操作。為了確保使用安全,應將整個電路板封裝在絕緣盒中,防止意外觸電。這種應用適用于需要定時控制照明的場景,如樓道照明、倉庫照明等,可實現自動延時關燈功能,提高照明系統的智能化水平和能源利用效率。
六、結語
這款簡易延時開關電路以其簡單的結構、低廉的成本和可靠的性能,在眾多電子電路應用中脫穎而出。通過深入理解其工作原理、精心設計印刷電路板布局、嚴格把控元件規格與焊接質量,以及細致調試電路參數,能夠充分發揮其延時控制功能。在實際應用中,無論是對小功率直流負載還是交流照明設備的控制,該延時開關電路均能提供高效、便捷的解決方案,滿足不同場景下的自動化控制需求,為電子設計與創新實踐提供了有力的技術支持。
〈烜芯微/XXW〉專業制造二極管,三極管,MOS管,橋堆等,20年,工廠直銷省20%,上萬家電路電器生產企業選用,專業的工程師幫您穩定好每一批產品,如果您有遇到什么需要幫助解決的,可以直接聯系下方的聯系號碼或加QQ/微信,由我們的銷售經理給您精準的報價以及產品介紹
〈烜芯微/XXW〉專業制造二極管,三極管,MOS管,橋堆等,20年,工廠直銷省20%,上萬家電路電器生產企業選用,專業的工程師幫您穩定好每一批產品,如果您有遇到什么需要幫助解決的,可以直接聯系下方的聯系號碼或加QQ/微信,由我們的銷售經理給您精準的報價以及產品介紹
聯系號碼:18923864027(同微信)
QQ:709211280