直流升壓電路,dcdc升壓電路介紹
在眾多電子電路設計中,DC-DC 升壓電路占據著關鍵地位,其核心功能在于提升電源電壓,以滿足不同類型電子元件的供電需求。例如,在電池充電器以及太陽能電池板等設備中,DC-DC 升壓轉換器被廣泛應用,可將 5V 電源高效升壓至 25V。此外,在面對多個具有不同工作電壓的組件需要從同一電池獲取電力時,升壓電路同樣能發揮重要作用。
升壓開關打開狀態

升壓開關關閉狀態

DC-DC升壓轉換器的工作原理基于能量存儲與釋放機制。當電路中的開關器件導通時,電感儲存能量;而當開關器件關斷時,電感釋放能量,進而推動電荷向輸出端轉移,實現電壓的提升。其基本構成要素包括直流電源(Vin)、電感(L)、二極管(D)、開關器件(SW)、平滑電容(C)以及負載電阻(Load),其中Vout表示輸出電壓。開關器件多選用功率電子器件,如受PWM信號控制的MOSFET或BJT晶體管,PWM信號通過高頻切換晶體管狀態,通常頻率可達每秒數千次,以確保電路的穩定運行。
在眾多電子電路設計中,DC-DC 升壓電路占據著關鍵地位,其核心功能在于提升電源電壓,以滿足不同類型電子元件的供電需求。例如,在電池充電器以及太陽能電池板等設備中,DC-DC 升壓轉換器被廣泛應用,可將 5V 電源高效升壓至 25V。此外,在面對多個具有不同工作電壓的組件需要從同一電池獲取電力時,升壓電路同樣能發揮重要作用。
升壓開關打開狀態

升壓開關關閉狀態

DC-DC升壓轉換器的工作原理基于能量存儲與釋放機制。當電路中的開關器件導通時,電感儲存能量;而當開關器件關斷時,電感釋放能量,進而推動電荷向輸出端轉移,實現電壓的提升。其基本構成要素包括直流電源(Vin)、電感(L)、二極管(D)、開關器件(SW)、平滑電容(C)以及負載電阻(Load),其中Vout表示輸出電壓。開關器件多選用功率電子器件,如受PWM信號控制的MOSFET或BJT晶體管,PWM信號通過高頻切換晶體管狀態,通常頻率可達每秒數千次,以確保電路的穩定運行。
二、升壓電路實例剖析
以下展示一種將1.5V直流電源升壓至5V的DC-DC升壓轉換器構建方案:


所需組件:
1.5V直流電源
180uH電感一個
1個1N3491二極管
1個33uF電容
一個150Ω電阻
一個MOSFET或JFET開關晶體管
PWM源,例如ArduinoUno或555定時器,要求能生成50KHz、5V、75%占空比的信號
直流升壓電路

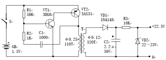
如圖所示是一種輸出電壓可達22.5 V的直流升壓器電路,可用來代替22.5 V的疊層電池。
直流升壓電路

如圖所示是一種輸出電壓可達22.5 V的直流升壓器電路,可用來代替22.5 V的疊層電池。
它利用萬用表中的一節1.5V電池供電,工作電流為25mA,輸出電流約為0.5mA,用于萬用表的高阻擋足夠富裕。
電路工作原理:電路中VT1與VT2構成互補多諧振蕩器,其振蕩頻率約為2kHz。T為升壓變壓器,初級作為互補多諧振蕩器的負載,次級則為升壓繞組,負責輸出較高脈沖電壓。該脈沖電壓經二極管VD1和電容C2整流濾波后轉化為直流高壓,再經電阻R3與穩壓管VD2穩壓,最終輸出相對穩定的高電壓。其中,變壓器T可選用晶體管收音機常用的502型音頻輸出變壓器,次級作為升壓變壓器的初級,初級中間抽頭無需使用,兩端抽頭則作為升壓變壓器的次級。若難以獲取合適變壓器,亦可利用收音機輸入輸出變壓器的硅鋼片自制,初級采用直徑為0.25mm的高強度漆包線繞制110匝,次級則用直徑0.21mm的高強度漆包線繞制520匝,且初次級線圈間需添加一層絕緣紙,并注意同名端的連接。
〈烜芯微/XXW〉專業制造二極管,三極管,MOS管,橋堆等,20年,工廠直銷省20%,上萬家電路電器生產企業選用,專業的工程師幫您穩定好每一批產品,如果您有遇到什么需要幫助解決的,可以直接聯系下方的聯系號碼或加QQ/微信,由我們的銷售經理給您精準的報價以及產品介紹
聯系號碼:18923864027(同微信)
QQ:709211280