LED燈方案原理圖,LED驅動電路設計介紹
LED驅動原理圖及方案解析

LED驅動原理圖及方案解析

方案特點闡述
本 LED 驅動方案具備多項卓越特性。其一,集成高壓啟動模塊,使燈具能夠實現即開即亮的效果,有效規避了因啟動電阻長期使用而出現老化開路的問題,確保燈具啟動的穩定性和可靠性。
其二,內置高壓智能 MOS 管(690V2.5Q),并采用 DIP7 封裝形式。該封裝方式使得高低壓管腳之間距離充足,從而避免了打火炸機現象的發生,提升了產品的安全性。
其三,運用 QR 控制模式,此種模式有助于降低開關損耗,在提高驅動效率的同時,也延長了驅動器的使用壽命。
其四,工作頻率設定為 100kHz,相較于傳統較低頻率的驅動方案,這一較高的頻率能夠縮小變壓器的體積,進而有助于減小整個驅動電路的尺寸,使燈具設計更為緊湊。
其五,配備過溫調節功能(OTC),賦予驅動器較強的抗干擾能力,確保在多系統環境下燈具不會出現閃燈現象。即使在灌膠后,輸出電流依舊能夠保持穩定,恒流精度控制在 3% 以內,為 LED 燈具提供了穩定的電力支持。
其六,具備全面的智能保護機制,涵蓋輸出開 / 短路保護、過壓 / 欠壓 / 過流保護以及 CS 電阻開路保護等多種保護功能,全方位保障驅動電路及燈具的安全運行,降低了因各種異常情況導致的燈具損壞風險。
LED 驅動 - 鎮流電阻方案
該驅動方案的原理電路圖如圖 1 所示。這是一種經典且一直沿用的簡單電路。LED 工作電流的計算公式為:[具體公式]。由公式可知,電流 I 與鎮流電阻 R 呈反比關系。當電源電壓 U 上升時,電阻 R 能夠限制電流 I 的過度增長,防止其超出 LED 的允許范圍,從而在一定程度上保護 LED 燈珠。


此方案具有一定的優勢,主要體現在電路結構簡單,易于實現,成本較低,適合對成本較為敏感的小功率 LED 應用場景。然而,該方案也存在明顯的不足之處。一方面,電流穩定度不高,容易受到電源電壓波動等因素的影響,導致 LED 的亮度可能出現不穩定的情況。另一方面,電阻在工作過程中會發熱并消耗功率,使得用電效率相對較低,一般僅適用于小功率 LED 的驅動,對于中大功率 LED 應用則顯得力不從心。
通常,一般資料所提供的鎮流電阻 R 的計算公式僅能滿足工作電流 I 這一基本條件。然而,對于驅動電路的其他兩個關鍵性能指標——電流穩定度和用電效率,該公式卻未予以考慮。因此,依據此公式設計出的電路,在性能方面難以得到有效保障,難以滿足對驅動性能有較高要求的應用場景。




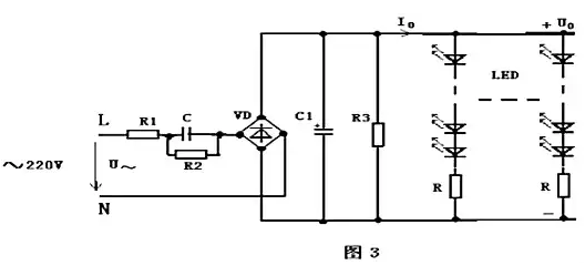
LED 驅動 - 鎮流電容方案


該方案基于在交流電路中,電容所具有的容抗 XC 也能起到類似 “鎮流作用” 的原理。與電阻不同的是,電容在工作時主要消耗無功功率,并不會產生熱量。而電阻則會消耗有功功率,并將電能轉化為熱能耗散掉,因此鎮流電容相較于鎮流電阻,在一定程度上能夠節省電能,提高電能利用效率。此外,采用鎮流電容的方案還能夠設計成將 LED 燈直接接入市電 ~220V 的方式,使用起來更為便捷,無需額外復雜的電源轉換裝置。
此方案的優勢在于電路構造簡單,成本相對較低,且供電方便,適用于一些對成本和供電便利性有較高要求的場景。不過,該方案同樣存在一定的局限性,其電流穩定度和效率也均不高,主要適用于小功率 LED 的驅動應用。尤其在 LED 數量較多,串聯后 LED 支路電壓較高的情況下,這種鎮流電容方案則更為適用,能夠較好地滿足此類特殊場景下的應用需求。
綜上所述,不同的 LED 驅動方案各有優劣,在實際應用中應根據具體的使用場景、性能要求以及成本預算等因素,綜合權衡后選擇最為合適的驅動方案,以實現 LED 燈具的最佳性能和使用壽命。
〈烜芯微/XXW〉專業制造二極管,三極管,MOS管,橋堆等,20年,工廠直銷省20%,上萬家電路電器生產企業選用,專業的工程師幫您穩定好每一批產品,如果您有遇到什么需要幫助解決的,可以直接聯系下方的聯系號碼或加QQ/微信,由我們的銷售經理給您精準的報價以及產品介紹
聯系號碼:18923864027(同微信)
QQ:709211280